欢迎访问MK体育改名 官方网站!专注于MK体育官方客服端下载 、失重秤的研发、生产与销售。 网站地图
联系我们
  • MK体育改名
  • 联系人:时小姐、徐小姐
  • 电 话:0510-8558 1193 / 0510-8555 7996
  • 传 真:0510-8555 5188
  • 邮 箱:zm@reinsail.com
  • 地址:江苏省无锡市宜兴市万石镇华康路21号

RDCMK体育官方客服端下载

lxc.jpg    

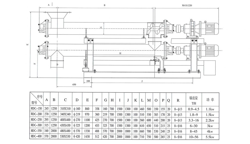
技术参数

型    号:RDC-***

给料能力:0.5~150t/h

给料精度:±1.0%

调节范围:1:5

进料方式:螺旋喂料

出料方式:连续失重

传动形式:摆线减速机


概述:

定量螺旋喂料机组,由称重螺旋喂料机和调速稳流喂料机组成。能对粉状和粒状物料进行连续输送,定量控制给料。可应用于化肥厂钾肥、石灰、石粉、水泥厂的生熟料配料、粉煤灰称重等工艺环节,由计算机和仪表实时控制。
   

优点:

1、适用于安装空间有限的配料系统中。

2、主要适用于无结块粉状原料如钾肥、石粉添加剂等原料的定量给料。

3、两条螺旋给料机组成一个定最螺旋喂料机组。

4、单条螺旋给料机和称重仓斗结合起来.可组成失重式定量螺旋喂料机组。

5、可以和定最给料输送机一起组成自动配料系统。

尺寸表:

title8.jpg    

     

1586402330.jpg    



上一个:没有了! 下一个:没有了!
Baidu
map